 |
|
|
◎北京钢铁设计研究总院
◎中国航天长治清华机械厂
◎宝钢集团常州冶金机械厂
◎宝钢集团苏州冶金机械厂
◎山西太钢不锈钢股份有限公司
◎邯郸钢铁集团有限责任公司
◎南京德贝机电设备有限公司
◎郑州机械研究所
◎宝胜普睿司曼电缆有限公司
◎上海精密机械进出口上海浦东公司
◎青岛中集集装箱制造有限公司
◎泰安锻压机床厂
◎山东宏康机械制造有限公司
◎达捏利冶金设备(北京)有限公司
◎常州宝菱重工机械有限公司
◎重庆汽车研究所
◎哈尔滨工业大学
◎大连重工
◎陕西华益
◎陕西自动化设备研究所 |
|
 |
|
|
 |
地址:江苏省淮安市经济开发区飞耀南路17号
电话:0517-83646119
联系人:朱先生
传真:0517-83990605 83649923
邮箱:gear@hongyu0517.com
网址:www.hongyu0517.com |
|
 |
| |
|
|
 |
当前位置:首页 - 产品展示 |
|
| |
|
|
|
| |
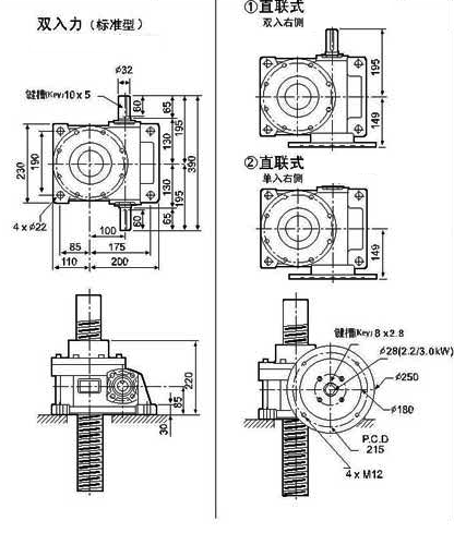
WSH系列结构示意图
| |
允许弯曲负荷值
不同型号及轴端各种负荷方式、丝杆长度、允许弯曲负荷请参考以下表格或计算公式:
Pcr=n2E(k/L)2·A·fB
n:轴端支承因数(参见下表)
千斤顶固定—轴端游离(n=1/4)
千斤顶支承—轴端支承(n=1)
(栓孔式)—(栓孔式)
千斤顶固定一顶板固定(n=2)
E:纵向弹性模数2.1×104kgf/mm2
K:最小辅助半径
d1:螺纹底直径
L:轴支承长度(mm)
A:丝杆螺纹底径的横截面积
fB:安全因数fB=0.25
附:螺纹底直径(mm)
|
型号 |
d1 |
型号 |
d1 |
|
WSH-2T |
19.5 |
WSH-20T |
54 |
|
WSH-3T |
25 |
WSH-30T |
63 |
|
WSH-5T |
31 |
WSH-40T |
67 |
|
WSH-10T |
36 |
WSH-50T |
74 |
|
WSH-15T |
41 |
WSH-100T |
82 | |
|
WSH系列蜗杆升降机安装尺寸

 
|
型号 |
WSH-2T |
WSH-3T |
WSH-5T |
WSH-10T |
WSH-15T |
WSH-20T |
WSH-30T |
WSH-40T |
WSH-50T |
WSH-100T |
|
梯形螺纹
直径
螺距 |
φ25
P=5 |
φ32
P=6 |
φ38
P=6 |
φ50
P=8 |
φ65
P=10 |
φ75
P=12 |
φ80
P=12 |
φ90
P=14 |
φ100
P=16 |
φ100
P=16 |
|
减速比 |
1/5
1/10
1/20 |
1/6
1/12
1/24 |
1/6
1/12
1/24 |
1/8
1/16
1/32 |
1/8
1/16
1/32 |
1/10
1/20
1/40 |
1/12
1/18
1/36 |
1/12
1/18
1/36 |
1/7
1/14
1/28 |
1/8
1/16
1/32 |
|
AA |
170 |
220 |
220 |
256 |
264 |
316 |
390 |
420 |
480 |
550 |
|
AB |
85 |
110 |
110 |
128 |
132 |
158 |
195 |
210 |
240 |
275 |
|
AC |
55 |
70 |
70 |
88 |
92 |
108 |
130 |
145 |
170 |
180 |
|
AD |
30 |
40 |
40 |
40 |
40 |
50 |
65 |
65 |
70 |
95 |
|
AE |
25 |
35 |
35 |
35 |
35 |
45 |
60 |
60 |
65 |
90 |
|
AF |
66 |
80 |
90 |
100 |
110 |
140 |
190 |
210 |
240 |
250 |
|
AG |
90 |
110 |
120 |
140 |
150 |
180 |
230 |
260 |
300 |
320 |
|
AH |
|
70 |
80 |
100 |
100 |
120 |
150 |
165 |
194 |
218 |
|
BA |
50 |
57 |
60 |
90 |
90 |
95 |
110 |
130 |
160 |
170 |
|
BB |
85 |
98 |
110 |
140 |
140 |
155 |
200 |
225 |
255 |
285 |
|
BC |
38 |
42 |
45 |
70 |
70 |
75 |
85 |
105 |
130 |
135 |
|
BD |
73 |
83 |
95 |
120 |
120 |
135 |
175 |
200 |
225 |
250 |
|
BE |
35 |
40 |
50 |
60 |
63 |
70 |
100 |
120 |
130 |
150 |
|
CB |
40 |
50 |
50 |
60 |
60 |
70 |
85 |
100 |
120 |
125 |
|
CC |
15 |
18 |
18 |
20 |
20 |
25 |
30 |
30 |
30 |
32 |
|
CF |
110 |
130 |
130 |
160 |
160 |
180 |
220 |
260 |
315 |
345 |
|
φG |
44.5 |
51 |
63.5 |
70 |
82.6 |
95.3 |
|
|
|
|
|
φU |
15 |
18 |
18 |
25 |
25 |
28 |
32 |
35 |
45 |
50 |
|
T×V |
5×3 |
6×3.5 |
6×3.6 |
8×4 |
8×4 |
8×4 |
10×5 |
10×5 |
14×5.5 |
14×5.5 |
|
L |
Stroke
+55 |
Stroke
+60 |
Stroke
+60 |
Stroke
+60 |
Stroke
+65 |
Stroke
+75 |
|
|
|
|
|
φLA |
|
130 |
130 |
165 |
165 |
165 |
215 |
215 |
265 |
265 |
|
φLB |
|
110 |
110 |
130 |
130 |
130 |
180 |
180 |
230 |
230 |
|
φLC |
|
160 |
160 |
200 |
200 |
200 |
250 |
250 |
300 |
300 |
|
LZ |
|
M8
P1.25 |
M8
P1.25 |
M10
P1.5 |
M10
P1.5 |
M10
1.5 |
M12
P1.75 |
M12
P1.75 |
M16
P2.0 |
M16
P2.0 |
|
φD
W×Y
直联功率 |
|
14
5×2.3
0.25/0.37 |
14
5×2.3
0.25/0.37 |
19
6×2.8
0.75 |
19
6×2.8
0.75 |
24
8×3.3
1.5 |
28
8×3.3
2.2 |
28
8×3.3
4 |
38
10×3.3
5.5 |
38
10×3.3
7.5 |
|
φD
W×Y
直联功率 |
|
|
|
24
8×3.3
0.75 |
24
8×3.3
0.75 |
|
|
|
|
|
|
φH |
12 |
12 |
12 |
18 |
18 |
18 |
22 |
22 |
22 |
27 | |
|
安装方式
|
螺杆端型式
|
型 号 |
CA |
CD |
CE |
S |
A |
B |
C |
D |
E |
F |
G |
H |
I |
J |
K |
L |
M |
N |
|
WSH-2T |
150 |
28 |
35 |
M16×1.5 |
165 |
55 |
165 |
55 |
135 |
25 |
20 |
16 |
12 |
25 |
10 |
70 |
88 |
10 |
|
WSH-3T |
180 |
32 |
50 |
M22×2 |
195 |
65 |
195 |
65 |
160 |
30 |
25 |
20 |
14 |
32 |
10 |
80 |
98 |
13 |
|
WSH-5T |
180 |
35 |
50 |
M28×2 |
195 |
65 |
195 |
65 |
160 |
30 |
25 |
25 |
16 |
38 |
12 |
90 |
114 |
13 |
|
WSH-10T |
220 |
40 |
60 |
M30×2 |
255 |
95 |
225 |
65 |
200 |
40 |
32 |
32 |
20 |
45 |
14 |
100 |
138 |
16 |
|
WSH-15T |
220 |
45 |
63 |
M36×2 |
255 |
95 |
225 |
65 |
210 |
50 |
32 |
36 |
24 |
50 |
18 |
110 |
148 |
20 |
|
WSH-20T |
260 |
55 |
80 |
M42×2 |
294 |
114 |
250 |
70 |
135 |
55 |
35 |
44 |
26 |
65 |
21 |
125 |
178 |
25 |
|
WSH-30T |
300 |
65 |
80 |
M56×2 |
255 |
135 |
295 |
75 |
185 |
65 |
44 |
56 |
35 |
75 |
21 |
140 |
188 |
28 |
|
WSH-40T |
360 |
70 |
100 |
M64×2 |
410 |
150 |
355 |
95 |
330 |
70 |
54 |
60 |
38 |
80 |
25 |
170 |
218 |
30 |
|
WSH-50T |
435 |
75 |
120 |
M75×2 |
480 |
165 |
429 |
114 |
390 |
75 |
64 |
70 |
45 |
90 |
27 |
200 |
248 |
32 |
|
WSH-100T |
495 |
100 |
150 |
M80×2 |
545 |
200 |
485 |
140 |
445 |
100 |
70 |
80 |
55 |
100 |
27 |
280 |
358 |
35 | |
|
型号表示说明示例
入力型式
入力轴功率与负载、升降速度的关系
|
型号
大小
能力 |
升降
梯形螺纹
直径
螺距 |
蜗轮
减速比 |
1800RPM
入力轴转速 |
1500RPM
入力轴转速 |
1200RPM
入力轴转速 |
|
输入功率
(kW) |
举升负荷
(kg) |
举升速度
(mm/mm) |
输入功率
(kW) |
举升负荷
(kg) |
举升速度
(mm/mm) |
输入功率
(kW) |
举升负荷
(kg) |
举升速度
(mm/mm) |
|
WSH-2T |
φ25
P=5 |
1/5 |
0.93 |
500 |
1800 |
0.86 |
550 |
1500 |
0.87 |
700 |
1200 |
|
1/10 |
0.50 |
500 |
900 |
0.50 |
550 |
750 |
0.50 |
700 |
600 |
|
1/20 |
0.50 |
600 |
450 |
0.50 |
700 |
375 |
0.50 |
900 |
300 |
|
WSH-3T |
φ32
P=6 |
1/6 |
1.31 |
700 |
1800 |
1.25 |
800 |
1500 |
1.18 |
950 |
1200 |
|
1/12 |
0.89 |
950 |
900 |
0.86 |
1100 |
750 |
0.81 |
1300 |
600 |
|
1/24 |
0.50 |
950 |
450 |
0.50 |
1100 |
375 |
0.50 |
1300 |
300 |
|
WSH-5T |
φ38
P=6 |
1/6 |
1.86 |
900 |
1800 |
1.72 |
1000 |
1500 |
1.66 |
1200 |
1200 |
|
1/12 |
1.47 |
1350 |
900 |
0.36 |
1500 |
750 |
1.31 |
1800 |
600 |
|
1/24 |
1.04 |
180 |
450 |
0.96 |
2000 |
375 |
0.92 |
2400 |
300 |
|
WSH-10T |
φ45
P=8 |
1/8 |
2.84 |
1300 |
1800 |
2.64 |
1450 |
1500 |
2.48 |
1700 |
1200 |
|
1/16 |
1.50 |
1300 |
900 |
1.40 |
1450 |
750 |
1.31 |
1700 |
600 |
|
1/32 |
1.07 |
1750 |
450 |
4.00 |
1950 |
375 |
0.92 |
2250 |
300 |
|
WSH-15T |
φ50
P=8 |
1/8 |
2.69 |
1300 |
1800 |
2.50 |
1450 |
1500 |
2.35 |
1700 |
1200 |
|
1/16 |
1.42 |
1300 |
900 |
1.32 |
1450 |
750 |
1.24 |
1700 |
600 |
|
1/32 |
1.01 |
1750 |
450 |
0.94 |
1950 |
375 |
0.87 |
2250 |
300 |
|
WSH-20T |
φ65
P=10 |
1/10 |
3.57 |
1400 |
1800 |
3.24 |
1850 |
1500 |
3.01 |
1950 |
1200 |
|
1/20 |
1.90 |
1600 |
900 |
1.97 |
1850 |
750 |
1.84 |
2250 |
600 |
|
1/40 |
1.53 |
2400 |
450 |
1.57 |
2800 |
375 |
1.46 |
3350 |
300 |
|
WSH-30T |
φ75
P=12 |
1/12 |
4.86 |
1850 |
1800 |
4.71 |
2150 |
1500 |
4.55 |
2600 |
1200 |
|
1/18 |
3.56 |
1900 |
1200 |
3.59 |
2300 |
1000 |
3.44 |
2750 |
800 |
|
1/36 |
2.22 |
2200 |
600 |
2.19 |
2600 |
500 |
2.15 |
3200 |
400 |
|
WSH-40T |
φ80
P=12 |
1/12 |
5.56 |
1975 |
1800 |
5.39 |
2300 |
1500 |
5.11 |
2750 |
1200 |
|
1/18 |
4.29 |
2125 |
1200 |
4.29 |
2550 |
1000 |
4.07 |
3025 |
800 |
|
1/36 |
2.87 |
2625 |
600 |
2.78 |
3050 |
500 |
2.66 |
3650 |
400 |
|
WSH-50T |
φ90
P=14 |
1/7 |
12.7 |
2100 |
3600 |
12.3 |
2450 |
3000 |
12.1 |
2850 |
2400 |
|
1/14 |
7.72 |
2350 |
1800 |
7.66 |
2800 |
1500 |
1.47 |
3300 |
1200 |
|
1/28 |
5.46 |
3050 |
900 |
5.22 |
3500 |
750 |
5.24 |
4100 |
600 |
|
WSH-100 |
φ100
P=16 |
1/8 |
21.8 |
3500 |
3600 |
21.5 |
4000 |
3000 |
21.2 |
5400 |
2400 |
|
1/16 |
15.7 |
4300 |
1800 |
15.5 |
5400 |
1500 |
14.1 |
7200 |
1200 |
|
1/32 |
11.6 |
5500 |
900 |
12.8 |
6800 |
750 |
9.86 |
10000 |
600 |
|
型号
大小
能力 |
升降
梯形螺纹
直径
螺距 |
蜗轮
减速比 |
900RPM
入力轴转速 |
600RPM
入力轴转速 |
300RPM
入力轴转速 |
|
输入功率
(kW) |
举升负荷
(kg) |
举升速度
(mm/mm) |
输入功率
(Kw) |
举升负荷
(kg) |
举升速度
(mm/mm) |
输入功率
(kW) |
举升负荷
(kg) |
举升速度
(mm/mm) |
|
WSH-2T |
φ25
P=5 |
1/5 |
0.84 |
900 |
900 |
0.62 |
1000 |
600 |
0.50 |
100 |
300 |
|
1/10 |
0.50 |
750 |
450 |
0.50 |
1000 |
300 |
0.25 |
1350 |
1500 |
|
1/20 |
0.50 |
1200 |
225 |
0.25 |
1350 |
150 |
0.25 |
1350 |
75 |
|
WSH-3T |
φ32
P=6 |
1/6 |
1.22 |
1300 |
900 |
1.12 |
1800 |
600 |
0.56 |
1800 |
300 |
|
1/12 |
0.77 |
1650 |
450 |
0.62 |
2000 |
300 |
0.50 |
2000 |
150 |
|
1/24 |
0.50 |
1650 |
225 |
0.50 |
2000 |
150 |
0.25 |
2000 |
75 |
|
WSH-5T |
φ38
P=6 |
1/6 |
1.55 |
1500 |
900 |
1.17 |
1700 |
600 |
0.72 |
2100 |
300 |
|
1/12 |
1.17 |
2150 |
450 |
0.78 |
2150 |
300 |
0.50 |
2500 |
150 |
|
1/24 |
0.73 |
2550 |
225 |
0.56 |
2900 |
150 |
0.50 |
2850 |
75 |
|
WSH-10T |
φ45
P=8 |
1/8 |
2.30 |
2100 |
900 |
2.22 |
3050 |
600 |
1.75 |
4800 |
300 |
|
1/16 |
1.27 |
2200 |
450 |
1.17 |
3050 |
300 |
0.92 |
4800 |
150 |
|
1/32 |
0.86 |
2800 |
225 |
0.84 |
4100 |
150 |
0.65 |
6400 |
75 |
|
WSH-15T |
φ50
P=8 |
1/8 |
2.17 |
2100 |
900 |
2.11 |
3050 |
600 |
1.66 |
4800 |
300 |
|
1/16 |
1020 |
2200 |
450 |
1.11 |
3050 |
300 |
0.87 |
4800 |
150 |
|
1/32 |
0.81 |
2800 |
225 |
0.79 |
4100 |
150 |
0.61 |
6400 |
75 |
|
WSH-20T |
φ65
P=10 |
1/10 |
2.84 |
2450 |
900 |
2.59 |
3350 |
600 |
1.89 |
4900 |
300 |
|
1/20 |
1.72 |
2800 |
450 |
1.58 |
3850 |
300 |
1.15 |
5600 |
150 |
|
1/40 |
1.44 |
4400 |
225 |
1.25 |
5750 |
150 |
0.92 |
8400 |
75 |
|
WSH-30T |
φ75
P=12 |
1/12 |
4.27 |
3250 |
900 |
3.94 |
4500 |
600 |
2.80 |
6400 |
300 |
|
1/18 |
3.28 |
3500 |
600 |
2.94 |
4700 |
400 |
0.09 |
6700 |
200 |
|
1/36 |
1.97 |
3900 |
300 |
1.82 |
5400 |
200 |
1.61 |
9600 |
100 |
|
WSH-40T |
φ80
P=12 |
1/12 |
5.10 |
3625 |
900 |
4.67 |
4975 |
600 |
3.32 |
7050 |
300 |
|
1/18 |
4.07 |
4025 |
600 |
3.67 |
5450 |
400 |
2.60 |
7725 |
200 |
|
1/36 |
2.67 |
4875 |
300 |
2.41 |
6600 |
200 |
1.88 |
10300 |
100 |
|
WSH-50T |
φ90
P=14 |
1/7 |
11.5 |
4000 |
1800 |
11.0 |
5450 |
1200 |
7.83 |
7750 |
600 |
|
1/14 |
7.23 |
4550 |
900 |
6.79 |
6200 |
600 |
4.79 |
8750 |
300 |
|
1/28 |
4.90 |
5850 |
450 |
4.66 |
7800 |
300 |
3.28 |
11000 |
150 |
|
WSH-100 |
φ100
P=16 |
1/8 |
20.2 |
7100 |
1800 |
19.9 |
9850 |
1200 |
13.0 |
12950 |
600 |
|
1/16 |
14.7 |
9450 |
900 |
12.9 |
11800 |
600 |
9.50 |
17350 |
300 |
|
1/32 |
10.1 |
14300 |
450 |
9.41 |
15750 |
300 |
7.78 |
26050 |
150 |
螺杆升降行程与螺杆长度计算(下表行程=300m/m各型式计算范例)
|
|
行程
(例)300m/m |
杆端S型 |
杆端H型 |
|
型号 |
直径 |
螺距 |
护管长 |
机身+CE+行程
=螺杆总长 |
螺杆总长-CE
=牙长 |
机身+C+G+行程
=螺杆总长 |
螺杆总长-B-G
=牙长 |
|
WSH-2T |
25 |
P=5 |
300+55=35 |
110+40+300=450 |
450-40=410 |
100+55+20+300=485 |
485-55-20=410 |
|
WSH-3T |
32 |
P=6 |
300+60=360 |
130+50+300=480 |
480-50=430 |
130+65+25+300=520 |
520-65-25=430 |
|
WSH-5T |
38 |
P=6 |
300+60=360 |
130+50+300=480 |
480-50=430 |
130+65+25+300=520 |
520-65-25=430 |
|
WSH-10T |
45 |
P=8 |
300+65=365 |
160+60+300=520 |
520-60=460 |
160+95+32+300=587 |
587-95-32=460 |
|
WSH-15T |
50 |
P=8 |
300+65=365 |
160+60+300=520 |
520-60=460 |
160+95+32+300=587 |
587-95-32=460 |
|
WSH-20T |
65 |
P=10 |
300+75=375 |
180+80+300=560 |
560-80=480 |
180+114+35+300=629 |
629-114-35=480 |
|
WSH-30T |
75 |
P-12 |
|
220+80+300=600 |
600-80=520 |
220+135+44+300=699 |
699-135-44=520 |
|
WSH-40T |
80 |
P=2 |
|
260+100+300=660 |
660-100=560 |
260+150+54+300=764 |
764-150-54=560 |
|
WSH50T |
90 |
P=14 |
|
315+120+300=735 |
735-120=615 |
315+165+64+300=844 |
844-165-64=615 |
|
WSH-100T |
100 |
P=16 |
|
345+150+300=795 |
795-150=645 |
345+200+70+300=915 |
915-200-70=645 |
|
|
行程
(例)300m/m |
杆端R型 |
杆端T型 |
|
型号 |
直径 |
螺距 |
护管长 |
机身+D+行程
=螺杆总长 |
螺杆总长-D
=牙长 |
机身+T+行程
=螺杆总长 |
螺杆总长-T
=牙长 |
|
WSH-2T |
25 |
P=5 |
300+55=35 |
110+55+300=465 |
465-55=410 |
110+25+300=435 |
435-25=410 |
|
WSH-3T |
32 |
P=6 |
300+60=360 |
130+65+30=495 |
495-65=430 |
130+30+300=460 |
460-30=430 |
|
WSH-5T |
38 |
P=6 |
300+60=360 |
130+65+300=495 |
495-65=430 |
130+30+300=460 |
460-30=430 |
|
WSH-10T |
45 |
P=8 |
300+65=365 |
160+65+300=525 |
525-65=460 |
160+40+300=500 |
500-40=460 |
|
WSH-15T |
50 |
P=8 |
300+65=365 |
160+65+300=525 |
525-65=460 |
160+50+30=510 |
510-50=460 |
|
WSH-20T |
65 |
P=10 |
300+75=375 |
180+70+300=550 |
550-70=480 |
180+55+300=535 |
535-55=480 |
|
WSH-30T |
75 |
P-12 |
|
220+75+300=595 |
595-75=520 |
220+65+300=585 |
585-65=520 |
|
WSH-40T |
80 |
P=2 |
|
260+95+300=655 |
655-95=560 |
260+70+300=630 |
630-70=560 |
|
WSH50T |
90 |
P=14 |
|
315+114+300=729 |
729-114=615 |
315+75+300=690 |
690-75=615 |
|
WSH-100T |
100 |
P=16 |
|
345+140+300=785 |
785-140=645 |
345+100+300=745 |
745-100=645 |
注:特殊规格尺寸请附图说明。
WSH系列蜗杆升降机附图
|
|
|